Elektronikbox Version G Ver. 2 mit Lenkeradapter
Dieses ist unsere neuste Elektronikbox für Minitaster. Sie steuert die wichtigsten elektrischen Funktionen am Motorrad von einer zentralen Stelle. Folgende Funktion werden von der Elektronikbox unterstützt und können z.T. jederzeit leicht vom Benutzer umprogrammiert werden:
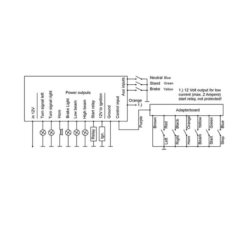
Steuerung von Blinker, Hupe, Anlasser Relais, Stop
Steuerung von Fern – und Abblendlicht
Warnblinkfunktion
2 x Warnblinken b. Zündung an oder Motor aus
Einstellbare Rückstellfunktion der Blinker
Begrenzungslichtfunktion über die Blinker (wie bei den Ami´s)
1 Taster für Start / Stop oder 2 getrennte Taster für Start / Stop möglich
Eingang Alarmschalter
Bremslicht/Rücklicht – Kombination möglich. Dann leuchtet das Bremslicht mit 50%, wenn nicht gebremst wird.
Kontrolle der Box vom Neutral und Seitenständerschalter möglich.
8 Status LED´s an den Kabelausgängen zur leichten Überprüfung der Zustände
Der Lenkeradapter wird an alle Tastschalter angeklemmt und in den Lenker geschoben. Es geht dann nur noch eine dünne Leitung vom Adapter weiter zur Elektronikbox. Die G-Box hat 8 Status LED´s an den Kabelausgängen, die eine schnelle Installation und Überwachung ermöglichen. Das Gehäuse ist mit Epoxidharz wasserdicht vergossen..
Die verschiedenen Funktionen der Elektronikbox Version G können jederzeit geändert werden. Drücke vor dem Einschalten der Stromversorgung der Box die Hupentaste und halte sie fest, bis die Stromversorgung an ist. Nach dem Loslassen der Hupentaste ist die Box im Programmodus. Ein einmaliges Warnblinken zeigt den Programmiermodus an. Durch Drücken des linken oder rechten Blinktasters kannst Du die entsprechende Funktion auswählen, wie sie in der unteren Tabelle dargestellt ist. Dadurch kommst Du in den nächsten Programmodus, der dann durch 2 maliges Warnblinken angezeigt wird. Folgende Optionen sind möglich:
Blinkanzahl Modus Taster Links Taster Rechts Beschreibung
1 x Showblinken Aus An 2 x Blinken beim Einschalten
2 x Komfortblinker Aus An Komfortblinker schaltet sich selber aus
3 x Begrenzungslicht Aus An Blinker glimmen mit 20 %, wenn aus
4 x Stop-Bremslicht Aus An Bremslicht leuchtet mit 50 %, wenn aus
5 x Start Stoptaster 1 Taster 2 Taster 1 oder 2 Taster für Start /Stop
6 x Ständer/Leerlaufs. Aus An Schaltet ggf. Zündung und Starter aus
Die Funktionen werden nach dem 6. Mal Drücken der Hupe fest im E-Eprom gespeichert, können aber jederzeit wieder geändert werden (Tüv und Begrenzungslicht…). Schalte vor einer Programmänderung die Versorgungsspannung für mindestens 10 Sekunden aus, um die Kondensatoren in der Box zu entladen.
Abmessungen: E-Box 50 mm x 42 mm x 12 mm, Lenkeradapter 35 mm x 15 mm
Stromverbrauch: Maximal 20mA bei 12V, bedingt durch die eingebauten LED´s
Gehäuse: Polycarbonat, mit Epoxid Harz wasserdicht vergossen
Eingangsspannung: 6 – 13,8V, kurzzeitig bis 20 Volt
Anschlüsse: Steuerteil 0,5mm², Leistungsteil 1 mm², je 20 cm
Maximale Umgebungstemperatur: 120 Grad Celsius
Zulässiger Strom vom 12V Anschluss: 20 Ampere








